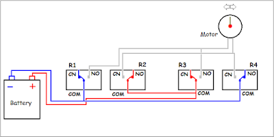
The first option. With 2 relays: One relay to make the motor to turn in one direction, and another one relay to make it turn in the other direction. As you can see in th picture below.
Wiring 2 relays:
You connect boths nc pins to nagativeof the battery. And both no pins to positive. And both motor wires to com pins.
Now turn on and off relay1 to make the motor turn one direction. Aand turn on and off the relay2 to make the motor turn other direction. This is the safest option of the two and I prefer this one the most.
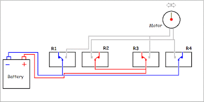
The second option. with 4 relays: Two relays to make the motor to turn in one direction. And another two relays to make it turn in the other direction. As you can see in the picture below.
Wiring 4 relays:
Well, this one is bit complicated. First you need to divide 4 relays into two and two. Then join both COM pins of relay1 and relay4 and connect it to nagative of the battery. Then join both COM pins of relay2 and relay3 and connect it to positive of the battery. Now join NO pin of relay1 and NO pin of relay3 and connect it to motor. That's one moto wire). And join NC pin of relay2 and NC pin of relay4 and connect it to the motor. That's another wire of the motor, as shown in the picture below.
Note: This note is specially for Arduino users. Please keep in mind that if you connect the relays with Arduino by using normal method. Then it will cause a problem, because Arduino gives connection to all the relays at once when it starts.
What is a COM pin? Com pin a middle pin of a relay which connects other pins.





No comments:
Post a Comment